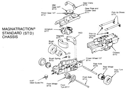
Hier habe ich eine Detailzeichnung von einem AFX Chassi eingestellt. Klickt einfach auf die Zeichung, um sie in groß zu sehen.